Hella Gutmann macsData Premium korjaamotietokanta korjaamolle ja katsastukseen
- macsData Premium on nopea ja helppokäyttöinen, selainpohjainen tietokanta, joka päivittyy verkkoon automaattisesti
- Hella Gutmann macsData Premium korjaamotietokanta on aina ajan tasalla
- Yksi käyttäjälisenssi mahdollistaa käytön kolmelta tietokoneelta
- Ohjelmisto on nopea käyttää, voit kirjautua aamulla sisään ja antaa selaimen olla taustalla auki koko päivän
- Saatavana myös viiden ja 10 käyttäjän lisenssit, valitse lisenssien määrä vetovalikosta
Hella Gutmann macsData Premium korjaamotietokanta korjaamolle ja katsastukseen
Tarjoushinta ensimmäiselle vuodelle - 50 %. Tilaus jatkuu normaalihintaisena ensimmäisen vuoden jälkeen. Edellyttää, että aiempaa tilausta ei ole ollut viimeisen 6 kk aikana.
Ohjelma sisältää selkeät tiedot huolloista ja tarkastuksista, esim. jakohihnan vaihto sekä tarvittavat työkalut, raitisilmasuodattimen vaihto ja tarvittavat varaosat.
Tiedot perustuvat laadukkaisiin vaiheittaisiin OEM ohjeisiin, kuviin ja kaavioihin.
Lisävarusteena saatavana sähköisten huoltokirjojen rekisteröinti sekä ajoneuvon aikaisemman huoltohistorian haku.
Saatavana myös ilmainen 30 päivän kokeilujakso.
Tuotetiedot
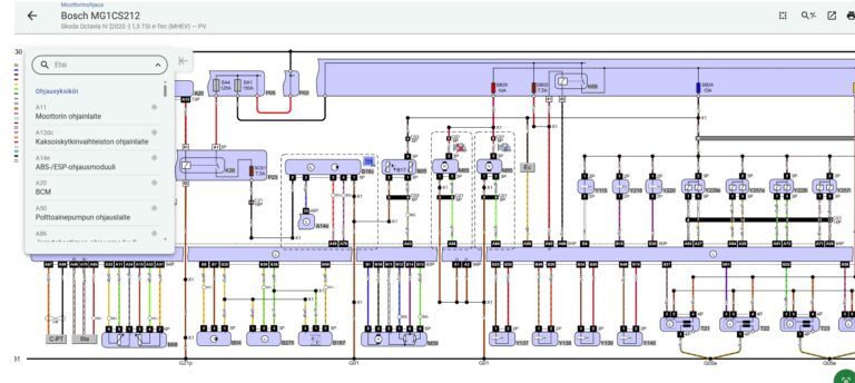
| Täysvärilliset kytkentäkaaviot | Moottorinohjaus, ABS/ESC, SRS ja |
|---|---|
| Vikakoodilistaukset | Moottorinohjaus, ABS/ESC ja SRS |



