Nussbaum Top Lift 1.35 TLX upotettava 1-sylinterinostin
Nostokyky: 3500 kg
Toimitus 7 arkipäivässä
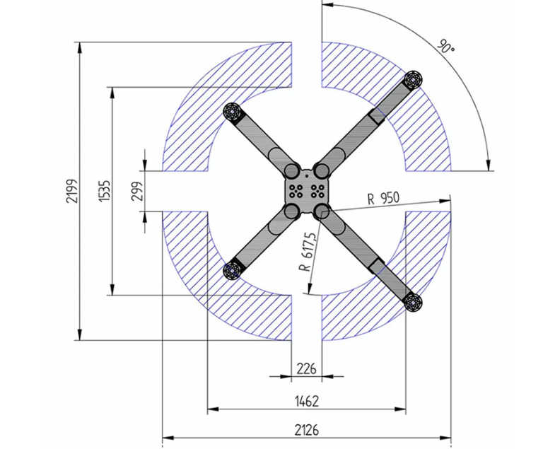
- Upotettava 1-sylinterinostin, säädettävillä nostovarsilla
- Käyttökoneikko asennettu valmiiksi lattiayksikköön
- Lattiayksikön kansi on helposti avattavissa, eli nostimen huolto on todella helppoa ja huoltokohteisiin on helppo päästä käsiksi
- Sylinteripinnat ovat kovakromatut, sylintereiden halkaisija 123 mm
- Jauhemaalattu asennuskasetti
- Pesupaikkaversiossa on ulkoinen käyttöyksikkö, joka on suojattu roiskevedeltä
- Valmistusmaa Saksa
Tuotetiedot
| Nostokyky | 3500 kg |
|---|---|
| Nostokorkeus | 2066 mm |
| Nosto ja laskuaika | 35 s |
| Minimikorkeus | 98 mm |
| Nostovarret | 700 - 1233 mm |
| Moottori | 3,0 kW |
| Virtalähde | 400V / 50 Hz |
| Sylinterin halkaisija | 123 mm |




