Nussbaum Top Lift 2.35 TLD XY-L upotettava 2-sylinterinostin
Nostokyky: 3500 kg
Toimitus 7 arkipäivässä
- Upotettava 2-sylinterinostin, säädettävillä pitkillä nostosilloilla
- Käyttökoneikko asennettu valmiiksi lattiayksikköön
- Lattiayksikön kansi on helposti avattavissa, eli nostimen huolto on todella helppoa ja huoltokohteisiin on helppo päästä käsiksi
- Sylinteripinnat ovat kovakromatut, sylintereiden halkaisija 123 mm
- Jauhemaalattu asennuskasetti
- Valmistusmaa Saksa
Tuotetiedot
| Nostokyky | 3500 kg |
|---|---|
| Nostokorkeus | 2023 mm |
| Nosto ja laskuaika | 35 s |
| Minimikorkeus | 60 mm |
| Nostosillan pituus | 1245 - 2207 mm |
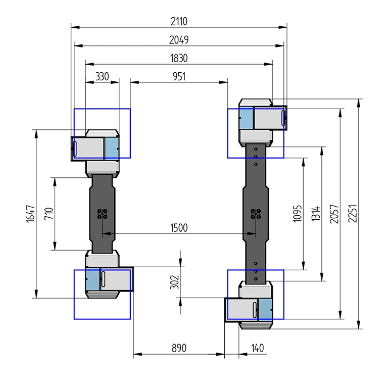
| Leveys | 951 - 2049 mm |
| Sylintereiden etäisyys | 1500 mm |
| Moottori | 3,0 kW |
| Virtalähde | 400V / 16A |
| Sylinterin halkaisija | 123 mm |
| Asennussyvyys | 2408 mm |


